2021-01-11
今天來說說,現在的電子元器件超高性能的,那就是——歐姆龍G5NB繼電器。
	
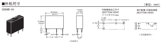
歐姆龍G5NB是一款耐沖擊電壓為10kV的1極3A/5A開閉的小型繼電器,該器件采用了高功率電磁回路,能夠實現高達200mW的靈敏度。并且歐姆龍G5NB繼電器已經取得了UL、CSA、VDE認證,產品用途符合EN61010強化絕緣標準。
	
G5NB繼電器是一直電子機械開關,它是用漆包銅線在一個圓鐵芯上繞幾百圈至幾千圈,當線圈中流過電流時,圓鐵芯產生了磁場,把圓鐵芯上邊的帶有接觸片的鐵板吸住,使之斷開第一個觸點而接通第二個開關觸點。當線圈斷電時,鐵芯失去磁性,由于接觸銅片的彈性作用,使鐵板離開鐵芯,恢復與第一個觸點的接通。
因此,可以使得G5NB繼電器用很小的電流去控制其他電路的開關。整個G5NB繼電器由塑料或有機玻璃防塵罩保護著,有的還是全密封的,以防觸電氧化。
		
	
如上圖所示,當控制電路中的開關K閉合時,電磁鐵便具有磁性,將銜鐵吸下,使繼電器觸點接觸,與觸點相連接的電源電路便接通;當控制開關K斷開時,電磁鐵的磁性被撤消,繼電器觸點彈開,電源電路亦隨之斷開。
小小的繼電器看似不起眼,卻是控制電路中不可或缺的存在。常用于:熱水器、冰箱、空調、小家電。 歐姆龍在繼電器、開關等器件的研發與制造方面,擁有豐富的經驗和產品線,能夠滿足對產品多樣化和高品質的追求。相信在未來,歐姆龍的產品將帶給大家更美好的體驗與享受。
點擊咨詢
電話咨詢
QQ咨詢
微信咨詢
 
            回到頂部